Nuestro ESS42R es un motor paso a paso híbrido cerrado integrado basado en el bus RS485 y que soporta el protocolo Modbus RTU. Este motor integra un motor servo híbrido y su controlador en uno solo, utilizando el protocolo de comunicación estándar Modbus RTU por bus para el control. Su tamaño de brida es de 42 mm. En comparación con la combinación tradicional de controlador para motor paso a paso y motor paso a paso, resulta más rentable. Este motor servo híbrido integrado combina las ventajas del control de comunicación por bus, cableado sencillo, ausencia de pérdida de pasos, bajo aumento de temperatura, bajo nivel de ruido, alta velocidad, alto par y bajo costo, lo que lo convierte en un producto de control de movimiento extremadamente rentable.
Características
Especificaciones eléctricas
Voltaje de entrada |
DC 24V |
Corriente de salida |
Máximo de 2.5A (cambios con la carga) |
Corriente de entrada lógica |
7~ 16mA, se recomienda 10mA |
Tipo de comunicación |
Se trata de un sistema de control de velocidad. |
Velocidad máxima de comunicación |
38400bps |
Especificaciones físicas
Fase |
2 |
Ángulo de paso |
1.8 grados |
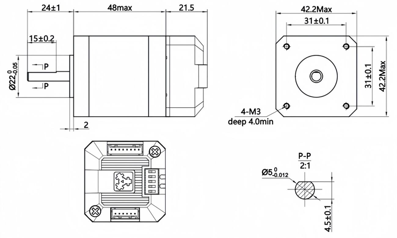
Tamaño del marco |
42*42mm |
Voltaje |
2.1 VDC |
Corriente |
1.5 A |
Resistencia |
1.4±10% Ω |
Inductancia |
2.5±20% mH |
Torque de retención |
0.45 N·m |
Largo del motor |
48mm |
Entorno y parámetros de uso
Tipo de enfriamiento |
Refrigeración natural o radiador externo |
|
Entorno de Uso |
Aprovecha las ocasiones |
Trate de evitar el polvo, el aceite y los gases corrosivos |
Temperatura |
0~40℃ |
|
Humedad |
40 a 90% de Hg |
|
Vibración |
5,9 m/s2 Máximo |
|
temperatura de almacenamiento |
-20℃~80℃ |
|
Definición de interfaz
1. Entrada de alimentación y puerto de comunicación
No de pin |
El símbolo |
Nombre |
Descripción |
1 |
+Vdc |
Terminal positivo de potencia de CC |
Entrada de corriente continua + 24 V |
2 |
El GND |
Tierra de energía de corriente continua |
|
3 |
NC |
|
|
4 |
485-GND |
Interfaz de comunicación RS485 |
|
5 |
485-A |
|
|
6 |
485-B |
|
2. Puerto de señal de control
No de pin |
El símbolo |
Nombre |
Descripción |
1 |
El punto de partida |
Límite positivo |
Solo admite voltaje de 24 V (si necesita soportar voltaje de 5 V, se puede personalizar) |
2 |
Inicio |
Origen mecánico |
Solo admite voltaje de 24V |
3 |
CW |
Límite negativo |
Solo admite voltaje de 24V |
4 |
X-COM |
Terminal común de entrada |
Compatible con conexión de ánodo común y cátodo común |
5 |
NC |
|
|
6 |
PEND |
Salida de señal de posición alcanzada |
|
7 |
ALM |
Señal de alarma |
|
8 |
Y-COM |
Terminal común de salida |
Conecte únicamente al terminal negativo de la fuente de alimentación |
3. Indicación de estado
PWR: luz de indicación de potencia. Cuando la energía está encendida, la luz verde está encendida.
ALM: luz indicadora de fallo.
Luz roja parpadeando una vez dentro de 3 segundos: fallo por sobrecorriente o cortocircuito entre fases;
Luz roja parpadeando 2 veces consecutivas dentro de 3 segundos: fallo por sobretensión;
Luz roja parpadeando 7 veces consecutivas dentro de 3 segundos: alarma por error de posición.
Configuración del interruptor DIP
El ESS42R utiliza un interruptor DIP de 5 bits para configurar el número de estación de accionamiento y la velocidad de comunicación en baudios.
SW1~SW3: Configuración del número de estación de accionamiento. SW4: Velocidad de comunicación del accionamiento. Después de modificar el número de esclavo y la velocidad de comunicación en baudios, es necesario volver a encender el dispositivo para que los cambios surtan efecto.
Número de esclavo |
El número de la |
El número de personas |
El número de personas |
Predeterminado |
On |
On |
On |
1 |
Off |
On |
On |
2 |
On |
Off |
On |
3 |
Off |
Off |
On |
4 |
On |
On |
Off |
5 |
Off |
On |
Off |
6 |
On |
Off |
Off |
7 |
Off |
Off |
Off |
Nota: La configuración del número de estación de esclavo, cuando está en el archivo predeterminado, puede definir el número de estación de esclavo configurando el registro de número de estación de esclavo de unidad personalizada (0x0020), el rango es de 1 ~ 31.
Tasa de transmisión de datos |
El número de la |
9600 |
On |
38400 |
Off |
Nota: Cuando la velocidad de transmisión de comunicación está fijada en 9600bps, el formato de datos serie está fijado en 8 bits de datos, sin paridad y 1 bit de parada. Cuando se establece a otras tres velocidades de baud, el formato de datos del puerto serie se determina por el registro del formato de datos del puerto serie (0x0021).
SW5: Resistencia terminal RS485. El controlador en el extremo del bus debe configurar este interruptor DIP en ON, y los demás controladores deben configurarlo en OFF.
Dimensiones generales

Aplicación
Nuestro motor servoestepador integrado ESS42R es adecuado para diversos equipos e instrumentos de automatización pequeños y medianos, como robots industriales, maquinaria textil, máquinas de coser industriales especiales, máquinas de pelado de cables, máquinas de marcado, máquinas de corte, fotograbado láser, trazadores, herramientas de máquinas CNC, máquinas de grabado, equipos de ensamblaje automático, etc.
Servicio Personalizado
Ofrecemos una variedad de opciones de personalización en el diseño, como tipo de eje de salida, conectores, frenos, codificadores y cajas de engranajes, etc. Los usuarios pueden elegir flexiblemente según las necesidades reales. También se puede diseñar y fabricar con solicitudes especiales personalizadas.
Opciones
Los cables |
Franela |
Eje |
Tornillo |
|
|
|
|
Codificador |
Freno |
Caja de Cambios |
Y Más |
|
|
|
+ |
Certificado
Hemos obtenido la certificación de calidad ISO-9001 y hemos recibido numerosas patentes de aplicación. Nuestros productos tienen certificaciones internacionales como CE y ROHS.

Revisión

Derechos de autor © Changzhou Jinsanshi Mechatronics Co., Ltd. Todos los derechos reservados. - Política de privacidad