O motor de passo em malha fechada JSS MOTOR de 2 fases combina as vantagens dos motores de passo tradicionais com tecnologia avançada de controle em malha fechada. Seu tamanho da flange é 110 mm x 110 mm, com ângulo de passo de 1,2 graus, e está disponível em três opções de torque: 12 N.m, 16 N.m e 20 N.m. É amplamente utilizado em máquinas CNC, máquinas de corte a laser, máquinas de gravação CNC, máquinas têxteis, equipamentos médicos, etc.
Além disso, nossos motores de passo em malha fechada NEMA 42 oferecem uma variedade de opções de personalização no design, como tipo de eixo de saída, conectores, freios, codificadores e redutores, entre outros. Os usuários podem escolher flexivelmente de acordo com as necessidades reais.
A JSS MOTOR possui 12 anos de experiência na fabricação de motores de passo, fornecendo soluções de controle de motores para diversas aplicações, incluindo motores de passo em malha fechada.
O sistema em malha fechada do motor de passo é principalmente utilizado para monitoramento e feedback, podendo melhorar o desempenho do motor de passo.
Vantagens:
Também fornecemos drivers compatíveis para motores de passo, garantindo movimento suave e alto desempenho em cada aplicação.
Especificações do motor de passo
Modelo NO. |
Ângulo de passo |
Comprimento do motor |
A corrente /Phase |
Resistência /Phase |
Indutância /Phase |
Torque de retenção |
Resolução do codificador |
Driver compatível |
(°) |
(L) mm |
A |
ω |
mH |
N.M |
PPR |
|
|
110HCE12N-B398 |
1.2 |
139 |
4.2 |
1.2 |
13 |
12 |
1000 |
3HSS2260 |
110HCE16N-B39 |
1.2 |
180 |
6.4 |
0.9 |
9.5 |
16 |
1000 |
3HSS2260 |
110HCE20N-B39 |
1.2 |
221 |
4.2 |
1.88 |
18 |
20 |
1000 |
3HSS2260 |
Este motor passo a passo pode ser projetado e fabricado com pedido personalizado. Se não encontrar o que precisa ou tiver perguntas específicas, não hesite em contactar-nos. Estamos aqui para ajudá-lo a encontrar a solução perfeita para os seus requisitos únicos.
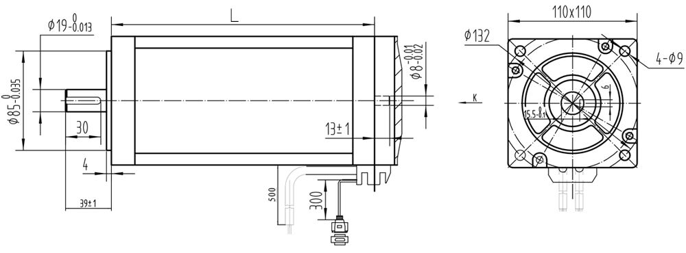
Dimensões totais (unidade=mm)

Serviço de Encomenda
Oferecemos uma variedade de opções de personalização no design, como tipo de eixo de saída, conectores, freios, codificadores e caixas de engrenagem, entre outros. Os usuários podem escolher flexivelmente de acordo com as necessidades reais. Também pode ser projetado e fabricado conforme solicitação especial personalizada.
Opções
Cabos |
Flange |
Eixo |
Parafuso |
|
|
|
|
Encoder |
Freio |
Caixa de velocidades |
E Mais |
|
|
|
+ |
Certificado
Nós passamos pela certificação de qualidade ISO-9001 e obtivemos diversos patentes de aplicação. Nossos produtos possuem certificações internacionais como CE e ROHS.

Revisão

Copyright © 2026 Changzhou Jinsanshi Mechatronics Co., Ltd. Todos os direitos reservados. - Política de Privacidade