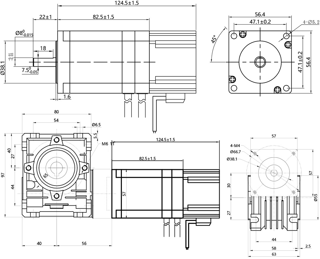
O motor CC sem escovas de 130 W, 3 fases e 8 polos é equipado com redutor de engrenagem sem-fim, oferecendo alta qualidade e alto torque com alimentação de 24 V. Possui velocidade nominal de 3000 rpm e relação de transmissão de 50:1. O tamanho da flange do motor BLDC é de 57 mm. A potência, tensão, velocidade, eixo, comprimento do motor, cabo do motor, codificador, redutor, flange, isolamento, rolamento e condições ambientais dos motores BLDC podem ser personalizados.
Descrição
O motor CC sem escovas de 130 W, 3 fases e 8 polos é equipado com redutor de engrenagem sem-fim, oferecendo alta qualidade e alto torque com alimentação de 24 V. Possui velocidade nominal de 3000 rpm e relação de transmissão de 50:1. O tamanho da flange do motor BLDC é de 57 mm. A potência, tensão, velocidade, eixo, comprimento do motor, cabo do motor, codificador, redutor, flange, isolamento, rolamento e condições ambientais dos motores BLDC podem ser personalizados.
ESPECIFICAÇÃO
Modelo |
JSS57BSA80B030A |
Tamanho do quadro |
57 x 57 mm |
Tensão nominal |
24 VDC |
Potência Nominal |
130 W |
Torque nominal |
0,41 N.m (58,07 oz.in) |
Velocidade nominal |
3000 rpm |
Corrente Nominal (A) |
7,2 A |
Taxa de redução |
50:1 |
Com freio |
Sim |
Classe de isolamento |
Classe B |
Dimensões (unidade=mm)

Características
Adaptável a múltiplos campos
Aplicação |
Dispositivos aplicáveis |
Valores fundamentais |
Logística de armazenagem e armazéns inteligentes |
Empilhadeiras elétricas pequenas, robôs de manuseio; AGV pequeno, etc. |
1. Bateria compatível de 24 V, torque atende aos requisitos de carga leve, equipada com função de freio antiderrapante. 2. Redução de velocidade e aumento de torque para evitar derrapagens, design de travamento do freio impede deslocamentos. 3. Sistema de baixa tensão compatível com 24 V, onde redução de velocidade e torque atuam em conjunto para facilitar a elevação, com função de travamento do freio. 4. Fonte de alimentação AGV compatível com 24 V, fornecendo energia auxiliar; assistência de freio para posicionamento preciso, garantindo acoplamento estável. |
Assistência industrial e automação |
Esteiras transportadoras pequenas; Abertura automática industrial/comercial de portas; Equipamento de pequeno enrolamento; Mecanismos automáticos de alimentação, etc. |
1. Design 24V com proteção contra choques elétricos, desaceleração e velocidade ajustáveis, e freios para impedir o deslizamento da carga; 2. Segurança 24V, porta acionada por torque e freios para evitar balanço; 3. Compatível com fontes de alimentação móveis 24V, reenrolamento com desaceleração e torque estável, e freios para travar o eixo e evitar retorno do fio; 4. Compatível com fontes de alimentação industriais 24V, válvulas acionadas por torque e freios para travar a posição e evitar deslocamento; |
Equipamentos agrícolas e domésticos |
Portas rolantes para estufas de vegetais; Elevadores residenciais pequenos / elevadores para animais de estimação, etc. |
1. Compatível com máquinas agrícolas 24V, com funções de desaceleração e enrolamento de filme com torque controlado, e mecanismo de freio para evitar recuo. 2. Flange compatível com início espaços, 24V para segurança, desaceleração para condução de carga e um mecanismo de freio para prevenir quedas. |
Dispositivos assistivos médicos |
Conversão elétrica de cadeira de rodas manual, cama pequena de treinamento de reabilitação, etc. |
A tensão de 24V está em conformidade com os padrões de segurança médica e fornece alto torque; o sistema de freio garante estabilidade na partida, parada e ajuste. |
Força da empresa e garantia de serviço
Oferecemos uma ampla gama de produtos e serviços, garantindo um processo de aquisição contínuo e eficiente para você. Nossas opções de pagamento incluem T/T, L/C, PayPal, Western Union e outras. Além disso, oferecemos testes em pequenos lotes e compras de amostras para minimizar seus custos com tentativas e erros.
A nossa equipe de P&D possui 12 anos de experiência, oferecendo serviços personalizados e soluções específicas para cada setor, atendendo às diversas necessidades dos nossos clientes. Oferecemos personalização de amostras, personalização de imagens e personalização sob demanda, além de serviços ODM e OEM.
Contamos com mais de 50 equipamentos de teste. O processo de testes inclui inspeção de matéria-prima, inspeção de produtos semiacabados, inspeção de patrulhamento, inspeção de produtos acabados e inspeção de saída, garantindo que os produtos que você recebe atendam aos padrões exigidos.
Nossa experiente equipe de vendas está disponível 24 horas por dia, 7 dias por semana, para atender prontamente às necessidades dos clientes e oferecer consultoria profissional e assistência técnica.
Se necessário, podemos fornecer instruções de desenho profissionais, relatórios de inspeção, vídeos de remessa, relatórios de teste, etc.
E se deseja saber mais sobre o nosso kit de motor e drive servo, clique no " Obter uma Cotação " botão para nos dizer quais são suas necessidades.
Certificado
Nós passamos pela certificação de qualidade ISO-9001 e obtivemos diversos patentes de aplicação. Nossos produtos possuem certificações internacionais como CE e ROHS.

Revisão 
Copyright © 2026 Changzhou Jinsanshi Mechatronics Co., Ltd. Todos os direitos reservados. - Política de Privacidade