JSS86P là một hệ thống điều khiển servo lai tích hợp sáng tạo có khả năng giao tiếp. Hệ thống này kết hợp bộ điều khiển servo bước và động cơ thành một khối thống nhất. Với công nghệ vòng kín, sản phẩm ngăn ngừa hiện tượng mất bước và đảm bảo độ chính xác cao. Độ suy giảm mô-men xoắn ở tốc độ cao của nó thấp đáng kể so với các bộ điều khiển vòng hở truyền thống, từ đó nâng cao rõ rệt hiệu suất tốc độ cao và mô-men xoắn của động cơ bước. Công nghệ điều khiển dòng điện dựa trên tải giúp giảm hiệu quả mức độ tăng nhiệt của động cơ, kéo dài tuổi thọ sử dụng. Các ngõ ra báo hiệu hoàn tất vị trí và cảnh báo được tích hợp sẵn cho phép máy chủ giám sát và điều khiển thuận tiện. Cảnh báo vượt quá vị trí đặt trước đảm bảo hoạt động an toàn của thiết bị gia công.
Tính năng
Sử dụng vi mạch ARM 32-bit tiên tiến và công nghệ điều khiển vòng kín;
Hoạt động ở chế độ vòng kín mà không bị mất bước, đồng thời cũng hỗ trợ chế độ vòng hở.
Tăng mô-men xoắn đầu ra và tốc độ quay của động cơ;
Dòng điện được điều chỉnh thông minh theo tải nhằm giảm nhiệt độ tăng lên của động cơ, với dòng điện khóa nam châm điện và dòng điện đỉnh vòng kín có thể điều chỉnh;
Có khả năng thích ứng với mọi loại điều kiện tải cơ học (bao gồm cả tải ròng rọc có độ cứng thấp và tải ròng rọc), không cần điều chỉnh các tham số khuếch đại;
Thời gian lọc làm mượt lệnh vị trí có thể thiết lập, giúp động cơ vận hành êm ái hơn, giảm rung động, cải thiện hiệu năng động học khi tăng tốc và giảm tốc;
Khả năng giữ vị trí tĩnh ở tốc độ bằng không sau khi định vị, không rung động;
Hỗ trợ đầu vào xung đơn và xung kép, với tần số đáp ứng xung tối đa là 200 kHz;
Hỗ trợ 15 mức chia phân số cố định và cho phép chia nhỏ bằng phần mềm (từ 200 đến 65535);
Hỗ trợ giao thức Modbus RTU trên RS232, cho phép điều khiển vị trí và tốc độ thông qua truyền thông;
Hỗ trợ giám sát các điều kiện vận hành của động cơ, bao gồm tốc độ, sai lệch vị trí, điện áp bus và dòng điện vận hành;
Dải điện áp: DC+24 V đến 80 V;
Có chức năng bảo vệ quá dòng, quá áp và sai lệch vị trí;
Thông số kỹ thuật điện
Số mẫu. |
Ngọn góc bước |
Chiều dài động cơ |
Hiện hành /Phase |
Kháng cự /Phase |
Độ tự cảm /Phase |
Động lực giữ |
|
(°) |
(L1) mm |
(L2) mm |
A |
ω±10% |
mH±20% |
N.M |
|
|
JSS86P-4.5N-BC38
|
1.8 |
82 |
128 |
4.5 |
0.7 |
5.5 |
4.5 |
|
JSS86P-6.5N-BC38
|
1.8 |
100 |
145 |
5.0 |
0.5 |
4 |
6.5 |
|
JSS86P-8.5N-BC38
|
1.8 |
118 |
163 |
6.0 |
0.5 |
4.5 |
8.5 |
|
JSS86P-10N-BC38
|
1.8 |
128 |
173 |
6.0 |
0.6 |
5 |
10 |
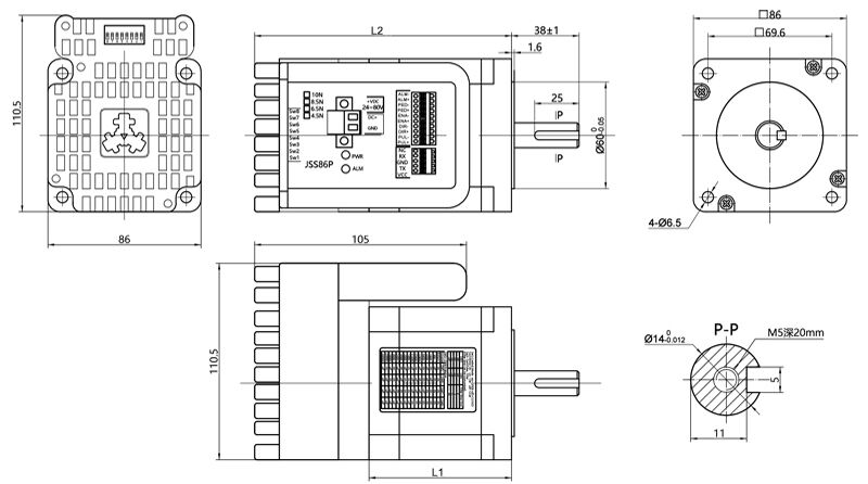
Kích thước tổng thể

Chỉ báo điện
Bộ nguồn máy tính |
DC+24~80 V, nguồn cấp điện đề xuất: DC+60 V |
Dòng điện đầu ra |
Dòng đỉnh 7,0 A (giá trị dòng điện thay đổi theo tải) |
Lưu lượng đầu vào logic |
7~16mA, khuyến nghị 10mA |
Tần số xung |
0~200KHz |
Số dòng mã hóa |
1000 |
Điện trở cách điện |
≥ 500MΩ |
Môi trường sử dụng và các thông số
Phương pháp làm mát |
Tăng nhiệt tự nhiên hoặc nhiệt tản bên ngoài |
|
Môi trường sử dụng |
Sử dụng cơ hội |
Cố gắng tránh bụi, dầu và khí ăn mòn |
Nhiệt độ |
0~40℃ |
|
Độ ẩm |
40 ~ 90% RH |
|
Rung động |
5,9m/s2Max |
|
Nhiệt độ bảo quản |
-20℃~80℃ |
|
Định nghĩa giao diện
Cổng đầu vào nguồn điện
Số đầu cuối |
Biểu tượng |
Họ và tên |
Giải thích |
1 |
+Vdc |
Cực dương của nguồn điện DC |
DC + 24V ~ 48V Nguồn cấp điện DC+60 V được đề xuất |
2 |
GND |
Địa điểm điện DC |
Cổng tín hiệu điều khiển
Số đầu cuối |
Biểu tượng |
Họ và tên |
Mô tả |
1 |
PUL+ |
Nhập tích cực xung |
Hỗ trợ 5 ~ 24V |
2 |
PUL- |
Nhập âm xung |
|
3 |
DIR+ |
Nhập tích cực hướng |
|
4 |
DIR- |
Nhập âm hướng |
|
5 |
EN+ |
Cho phép đầu vào tích cực |
|
6 |
EN- |
Cho phép đầu vào âm |
|
7 |
PEND+ |
Tín hiệu đến đang được xuất ra |
Đầu ra cổng OC cho biết rằng vị trí đóng là vị trí mặc định, trong khi vị trí mở chưa được phát hiện. |
8 |
Đợi... |
Tín hiệu đến đầu ra âm |
|
9 |
ALM+ |
Tín hiệu báo động đang hoạt động |
Đầu ra cửa OC có tín hiệu báo động cho chỉ báo đóng mặc định, và không có tín hiệu báo động cho chỉ báo mở. |
10 |
ALM... |
Tín hiệu báo động đầu ra âm |
Cổng giao tiếp RS232
Số đầu cuối |
Biểu tượng |
Họ và tên |
1 |
+5V |
Cực dương của nguồn điện |
2 |
TXD |
Bộ truyền RS232 |
3 |
GND |
Đất của nguồn điện |
4 |
RXD |
Máy thu RS232 |
5 |
NC |
|
Chỉ báo trạng thái
PWR: Đèn chỉ thị nguồn điện. Đèn màu xanh sáng lên khi có điện.
ALM: Đèn chỉ thị lỗi. Đèn đỏ nhấp nháy một lần trong vòng 3 giây cho biết xảy ra quá dòng hoặc ngắn mạch giữa các pha; nhấp nháy hai lần liên tiếp trong vòng 3 giây cho biết xảy ra lỗi quá áp; nhấp nháy năm lần liên tiếp trong vòng 3 giây kích hoạt báo động lỗi vị trí.
Thiết lập công tắc DIP
JSS86 sử dụng công tắc DIP 8 bit để thiết lập thời gian lọc, chiều quay của động cơ và độ chính xác phân bước.
SW1 điều khiển việc lựa chọn chế độ: bật (ON) cho điều khiển vòng hở, tắt (OFF) cho điều khiển vòng kín.
SW2 điều khiển chiều quay của động cơ: bật (ON) cho chiều quay thuận chiều kim đồng hồ (CW), tắt (OFF) cho chiều quay ngược chiều kim đồng hồ (CCW).
SW3–SW4 điều khiển thời gian lọc đối với lệnh vị trí. Thời gian lọc dài hơn đảm bảo hoạt động mượt mà hơn của động cơ và giảm tiếng ồn. Thời gian lọc có thể được điều chỉnh linh hoạt thông qua phần mềm máy tính chủ.
SW3 |
SW4 |
Thời gian lọc (ms) |
TRÊN |
TRÊN |
0 (Bạn có thể điều chỉnh thời gian lọc thông qua giao tiếp ở chế độ này) |
TẮT |
TRÊN |
3 |
TRÊN |
TẮT |
15 |
TẮT |
TẮT |
30 |
SW5, SW6, SW7, SW8: Thiết lập phân bước.
Bước / vòng tròn |
SW5 |
SW6 |
SW7 |
SW8 |
Mặc định |
TRÊN |
TRÊN |
TRÊN |
TRÊN |
800 |
TẮT |
TRÊN |
TRÊN |
TRÊN |
1600 |
TRÊN |
TẮT |
TRÊN |
TRÊN |
3200 |
TẮT |
TẮT |
TRÊN |
TRÊN |
6400 |
TRÊN |
TRÊN |
TẮT |
TRÊN |
12800 |
TẮT |
TRÊN |
TẮT |
TRÊN |
25600 |
TRÊN |
TẮT |
TẮT |
TRÊN |
51200 |
TẮT |
TẮT |
TẮT |
TRÊN |
1000 |
TRÊN |
TRÊN |
TRÊN |
TẮT |
2000 |
TẮT |
TRÊN |
TRÊN |
TẮT |
4000 |
TRÊN |
TẮT |
TRÊN |
TẮT |
5000 |
TẮT |
TẮT |
TRÊN |
TẮT |
8000 |
TRÊN |
TRÊN |
TẮT |
TẮT |
10000 |
TẮT |
TRÊN |
TẮT |
TẮT |
20000 |
TRÊN |
TẮT |
TẮT |
TẮT |
40000 |
TẮT |
TẮT |
TẮT |
TẮT |
Ứng dụng
Động cơ bước tích hợp JSS86P của chúng tôi phù hợp cho nhiều loại thiết bị và dụng cụ tự động hóa cỡ nhỏ và trung bình, chẳng hạn như robot công nghiệp, máy dệt, máy may công nghiệp chuyên dụng, máy tuốt dây, máy đánh dấu, máy cắt, hệ thống sắp chữ laser, máy vẽ kỹ thuật (plotter), máy công cụ CNC, máy khắc và thiết bị lắp ráp tự động. Đặc biệt hiệu quả trong các ứng dụng yêu cầu độ ồn thấp và tốc độ cao.
Dịch Vụ Khách Hàng
Chúng tôi cung cấp nhiều tùy chọn tùy chỉnh trong thiết kế, chẳng hạn như loại trục đầu ra, bộ kết nối, phanh, mã hóa và hộp số, v.v. Người dùng có thể linh hoạt lựa chọn theo nhu cầu thực tế. Ngoài ra, cũng có thể thiết kế & sản xuất theo yêu cầu tùy chỉnh đặc biệt.
Chứng nhận
Chúng tôi đã thông qua hệ thống chứng nhận chất lượng ISO-9001 và获得 một số bằng sáng chế ứng dụng. Sản phẩm của chúng tôi có các chứng nhận quốc tế như CE và ROHS.
|
|
|
|
|
|
|
Đánh giá

Bản quyền © 2026 Changzhou Jinsanshi Mechatronics Co., Ltd. Mọi quyền được bảo lưu. - Chính sách bảo mật